本文SBWR-2161智能熱電偶溫度變送器資料由優質變送器生產報價廠家為您提供。

SBWR-2161智能熱電偶簡介溫度變送器;
SBW系列熱電阻和熱電偶溫度變送器,采用雙線傳輸模式,將熱電阻、熱電偶電阻和毫伏信號轉換成與輸入信號或溫度信號成線性關系的20mA輸出信號。它可以安裝在熱電阻和熱電偶的接線盒中形成一個整體結構,也可以以導軌的形式安裝在儀表控制箱中。上海自動化儀表三廠生產的SBWR-2161智能熱電偶具有耐沖擊、耐潮濕、精度高、功耗低、工作環境溫度范圍廣、運行穩定可靠等優點。作為新一代的溫度測量和傳輸儀器,它廣泛應用于冶金、石化、電力、紡織、食品等工業部門。
SBWR-2161智能熱電偶溫度變送器主要技術參數:
◆范圍:0-800℃
◆輸入類型:E型
◆輸出類型:輸出20mA(輸出線性至相應溫度)
◆精度等級:0.5%FS,0.2%FS
◆傳輸模式:雙線制
◆工作電源:DC12~35V,額定工作電壓DC24V
◆負載電阻:0-600ω,額定負載:250ω
◆環境溫度:-20℃~70℃(智能)
◆相對濕度:5%~95%
◆環境溫度影響:≤0.05/1℃
溫度變送器工作原理:
SBW系列熱電阻和熱電偶溫度變送器,采用雙線傳輸方式,將熱電阻和熱電偶的電阻和毫伏信號轉換成20mA輸出信號,與輸入信號或溫度信號成線性關系。并將信號傳輸到計算機或其他設備。
溫度變送器使用類型選擇:

模型示例:
SBWR-2161表示e級非隔離常規型,輸出與相應溫度成線性關系的智能型為20mA 溫度變送器
SBWR-4261表示k分頻非隔離常規型,輸出與相應輸入信號成線性關系的智能型為20mA 溫度變送器
SBWR-2160表示e級非隔離常規型,輸出與相應的溫度成線性關系,20mA輸出溫度變送器
SBWR-4160表示e級非隔離常規型,輸出與相應的輸入信號成線性關系,輸出為20mA 溫度變送器
此外,訂購時應提供溫度范圍等參數
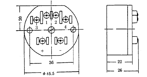
溫度變送器安裝圖片:
◆SBWR-2161智能熱電偶溫度變送器

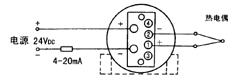
◆SBWR-2161智能熱電偶溫度變送器連接

《SBWR-2161智能熱電偶溫度變送器》本文地址:http://m.8haoyingpeng.com/news/hy/922.html 轉載請勿刪除!