本文智能過程校準器變送器校準問題的解決方案資料由優質變送器生產報價廠家為您提供。
本文重點介紹用戶經常要求關閉智能過程校準器的兩個智能變送器的校準:
1.既然過程校準器的變送器是智能的,為什么需要一個編程器(通信器)和一個高精度模擬校準器來校準它?
2.如何使用編程器和校準器?一旦您通過了初步研究,使用智能過程校準器的變送器將大大簡化技術人員的工作量。一些制造商的智能儀器使得學習過程非常容易。例如,花名冊的新275HART程序員很容易學習,可以在一夜之間很快掌握。

盡管智能過程校準器的變送器易于識別、復位和故障排除(由于內部診斷功能),但它們仍需要驗證和校準。在某些情況下,輸出會因內部電路的變化而調整。因此,技術人員現在不僅要攜帶編譯器,還要攜帶校準工具和萬用表。幸運的是,福祿克將多功能校準器和萬用表集成到一個重量小于3.55的儀器中,并且它還可以記錄校準文件。這意味著你將不再被這個無聲的發射器所淹沒。F700系列儀表校準器將使智能過程校準器的變送器校準和檢查變得非常容易。

我不需要校準...
自從智能過程校準器的變送器問世以來,許多人認為它不需要定期檢查和校準。因為它的自診斷功能可以報警??偟膩碚f,這是正確的,但不能排除各種意想不到的可能性。如果傳感器完全失效,你就會知道。如果電子系統完全失靈,你會知道的。然而,當智能變送器通電時,如果系統參數有微小偏差,您將無法得知。除非執行性能檢查和校準。讓我們首先假設上述問題很少發生,所以沒有必要爭論這是否是一個實際問題。即便如此,有必要校準智能變送器嗎?從管理規定和實際需要兩方面來看,我們仍然需要用高精度的校準器來檢查變送器。從法律或法規的角度來看,質量標準如IS09000規定,儀器必須定期認證,以符合H標準。職業安全、環境保護和安全條例也有同樣的要求。對于在現場測量溫度、壓力、電流或電流、電阻和頻率的儀器,必須使用過程校準器來證明它們可以追溯到國家標準。校準結果應按順序記錄,以證明其可追溯性。從實用的角度來看,智能儀器的定期校準可以避免那些意想不到的小問題。在許多情況下,這不是智能變送器本身的問題,而是與其相連的傳感元件或與其相連的管道的問題。
讓我們看三個相關的例子,以及如何用FlukeF700找到它們。
示例1
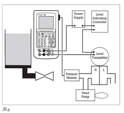
這個例子是雙線溫度變送器(TT),它使用熱電偶輸入并輸出電流到溫度指示器控制器(TIC)。(圖1)如果傳感器的特性隨時間變化會怎樣?在過程工業中,熱電偶的響應在反復加熱和沖擊后會發生變化,這是一個常見的問題。要找出這個問題,只需將熱電偶置于已知的溫度,并檢查輸出。(圖2)


智能過程校準器非常聰明,但它不能告訴你熱電偶的曲線是否發生了偏移。它不能告訴你有人誤用了熱電偶類型。只要熱電偶沒有打開,智能變送器就不會告訴你有問題。這很容易導致超過56℃的誤差。



為了確認變送器和傳感器足夠準確且在規定的指標范圍內,有必要進行檢查和校準。使用F700可以輕松檢查和校準變送器,并生成校準報告。
然而,溫度傳感器的檢查并不容易。您必須假設溫度源的溫度是已知的,并測量熱電偶的輸出電壓,然后將該電壓與溫度對照表進行比較(不僅僅是0點)。然而,使用F700的溫度測量功能很容易。您不會因錯誤的讀數、錯誤的溫度參考和錯誤的計算而導致錯誤。
將熱電偶插入F700的測溫插座,選擇相應的熱電偶類型。儀器將立即通知溫度值(攝氏度或華氏度)。如果F700的讀數與已知溫度一致(在指數范圍內),則熱電偶良好。通常三個點(最好是五個)可用于測量,以便檢查低、中和高點。您也可以校準變送器并一起檢查熱電偶。
示例2
在本例中,我們使用差壓模塊(d/p)來測量油箱油位。因為這是大多數液位變送器(LT)的實際應用。變送器通常連接到手動閥。手動閥用于變送器維護。沉淀物可能會積聚在儲罐底部,并填充管道。我們假設這些小沉積物混合在管道和發射器中以保持液體。這將影響變送器的精度。最嚴重的情況是它們在管道和變送器傳感部分形成固體。許多化學物體在加工溫度下是液體,在室溫或低于室溫時是固體。這會導致閥門靠近變送器的高端。變送器的性能可以很好地校準,但是壓在傳感器膜上的殘留物會導致讀數不準確。正是因為這個問題,經??梢钥吹阶兯推黠@示25%的液位,并且液體已經溢出儲罐。(圖6)

清洗這些殘留物并驗證接口連接的正確性既簡單又快捷。(注意:沖洗后的管道必須重新注滿液體,以確保讀數的準確性)。當模擬空罐時,過程校準器的變送器輸出不能回到零點,因此隔膜上可能有殘余固體壓力。用手持編程器檢查變送器的測量范圍不會發現這種問題。從而導致非常危險的情況或支付很高的維護費用。這種情況可以通過用校準器檢查和校準杏子來避免。
示例3
在本例中,我們還使用智能過程校準器的差壓變送器(d/P)作為液位變送器。然而,在本例中,變送器的下端連接到儲罐的頂部,以補償液體的靜壓頭。由于液體的冷凝,變送器的低端在潮濕狀態下使用,校準時總是充滿液體。假設管道、開關、變送器低端或三通閥的連接處有泄漏,泄漏量遠遠高于自然蒸發水平。這將導致變送器的輸出變高,導致油箱變空,并報告已滿的錯誤。如果技術人員到現場用F700檢查和校準變送器,就會發現泄漏,從而避免這種問題。假設技術人員忽略了泄漏檢測,但是過程校準器的校準過程包括檢查低端的液位。只需將F700壓力模塊連接到管道中,即可立即發現該問題。
這種問題似乎是假設的,但它確實是一個常見的問題。建立嚴格的校準程序將防止問題的發生,保證生產的持續正常運行和產品質量。
其次,校準器和編程器一起使用。
現在我們已經確認智能過程校準器的變送器需要校準。校準越快越簡單越好。過去,技術人員攜帶日常工作中使用的所有儀器是不可能和不切實際的。除了校準器,技術人員還應攜帶工具包、萬用表、手泵等。因為校準器又大又重。因此,只有在需要特殊校準時才攜帶。因此,在一項典型的工作中,技術人員必須經常往返于車間和現場之間,去拿一些儀器,或者用一些新的儀器替換一些暫時不需要的儀器。



今天技術人員的設備已經更新了很多。盡管他們仍然需要攜帶手動泵、工具包等。它們就像福祿克公司的F700多功能過程校準器和費希爾-羅斯蒙特275編程重型S;它已經很輕了,有很多目標。在許多方面,F700幾乎可以取代通用數字萬用表。
有了這些儀器,技術人員一般不需要再次趕到車間和現場。從而提高工作效率。許多現代工廠都安裝了智能儀器。因此,如何將編程器與校準器一起使用是一個問題?,F在這份工作變得非常簡單,易于學習和掌握。F700可以利用交流/DC電壓、電流、溫度、電阻、頻率和壓力輸入來校準傳輸優勢。菲希。-羅斯蒙特275的編程優勢不僅可用于與公司過程校準器的變送器和使用Hart協議的各種變送器進行通信,而且275型比268型略小,也有很大改進。它的菜單結構簡單易用。程序員的連接也很簡單。極性無關緊要,但它不能直接連接到回路電源。這里有一些如何一起使用編程器和校準器的例子。
示例4
在本例中,FlukeF700和羅斯蒙特的275編程器用于校準羅斯蒙特的3051C智能過程檢查器的差壓變送器。第一步是與操作員確認是否是校準的最佳時間,以確保參數的變化不會引起問題。讓操作員知道您正在進入手動控制狀態。然后隔離并清潔變送器。注意相關的環境和安全要求?,F在,F700壓力模塊和變送器的高端(有時是低端)可以通過T型通道連接,通道的另一個端口與手動泵連接。告訴F700準備輸出壓力,按下測量/源鍵直到測量屏幕出現,然后按下壓力鍵。此時,變送器測量壓力。(壓力單位可以根據需要改變)。
將F700的毫安測量端連接到變送器的輸出端。如果連接的極性錯誤,測量的電流將有一個負號。按下測量/源,直到測量屏幕并選擇毫安。根據測量/源,您可以同時觀察輸出和測量信號,直到輸出和測量同時顯示。
調整前的測量數據可以很容易地記錄下來。數據可以稍后傳送到個人電腦。如果發現變送器超出范圍或需要調整,可以將275編程器連接到變送器。程序員自動顯示提示菜單和信息。用光標鍵選擇診斷和服務后,將出現4個選項。選擇校準或應用值,然后你可以根據程序員的指令一步一步地進行更改。
進行以下左側測量,以驗證所做的調整是否正確。校準完成后,斷開編程器與校準器的連接,并重新連接原來的連接和管道。此時,隔離閥可以在平衡閥關閉時打開。盡快關閉平衡閥很重要。這可以防止干端進入潮濕的物體。一旦發生這種情況,必須重新處理干燥端,以確保濕端完全充滿液體,干燥端完全干燥。如有必要,使用壓力泵將液體從液體端泵到頂部。
此時,操作員可以被告知您的工作已經完成,并且設置了循環的手動狀態。(注意:校準過程不應在可能導致爆炸的環境中進行)
示例5
在本例中,羅斯蒙特3044C smart 溫度變送器使用F700和羅斯蒙特的275編程器進行校準。同樣,第一步是與操作員確認是否是校準的最佳時間,以確保參數的變化不會引起問題。讓操作員知道您正在進入手動控制狀態。然后斷開熱電偶,通過加長熱電偶將其與F700連接(請選擇相同類型的熱電偶)。


設置F700的輸出溫度,按MEAS/SOURCE鍵直到輸出屏幕出現,按TC/RTD鍵并選擇相應的熱電偶。按回車鍵,輸入要輸出的溫度,完成輸出設置。
然后將F700的電流測量端子與變送器的輸出端子連接,按下輸入屏幕上的MEAS/SOURCE鍵并選擇毫安測量。以下內容可用于“已發現”測量。如果過程校準器的變送器超出范圍或需要調整,將275編程器連接到變送器,進行更改,然后執行“剩余測量1”;以便驗證調整的實際結果并記錄下來。
校準后,斷開編程器與校準器的連接,并連接原始連接。通知操作員您的工作已經完成,并且回路處于手動狀態。(注意:該校準過程不能在可能導致爆炸的環境中進行)。
示例6
本示例介紹了使用F700和羅斯蒙特275程序員對羅斯蒙特3044C智能溫度變送器的校準。所有連接與示例5中的相同。區別在于不需要外部電源(因為F700有內置電源)。內部250瓦電阻片用于模擬溫度指示控制器。F700必須使用回路電源。按設置鍵并選擇回路電源啟用??梢愿鶕嵤├?中的步驟完成校準。
本文解釋了一些原因和應用,為什么即使是今天穩定和精確的智能變送器也需要使用精確的模擬校準器進行定期校準。同時,它也顯示了程序員和校準器一起使用是多么方便和完美。

《智能過程校準器變送器校準問題的解決方案》本文地址:http://m.8haoyingpeng.com/news/js/541.html 轉載請勿刪除!