本文儀表壓力遠程變送器-資料由優質變送器生產報價廠家為您提供。
產品概述:
上海朝暉PT124B-3051GR(AR)用于測量液體、氣體或蒸汽的液位、密度和壓力,然后將其轉換成4 ~ 20毫安的電流信號輸出。還可以與RST375手持終端或RSM100調制解調器通信,以設置參數和監控過程。PT124B-3051GR表壓/絕對壓力遠程變送器(未遷移時)的測量范圍為0-6千帕~ 25兆帕,遠程法蘭的額定壓力分別為1.6/4兆帕、6.4兆帕、10兆帕、150磅/平方英寸、300磅/平方英寸或600磅/平方英寸。
工作原理和結構
PT124B-3051GR(AR)表壓/絕對壓力遠傳變送器的結構由PT124B-3051GR(AR)系列表壓/絕對壓力變送器和帶毛細管的焊接遠傳法蘭組成。其工作原理與PT124B-3051GR(AR)系列表壓/絕對壓力變送器(見PT124B-3051GR(AR)系列表壓/絕對壓力系列變送器技術規范)相同,只是壓力傳遞路徑略有不同:作用在遠傳法蘭上的壓力首先通過隔膜并充注遠傳法蘭上的液體,然后通過毛細管,最后到達測量傳感器的測量端
技術規格:
測量參數:表壓、絕對壓力和液位
測量范圍(無偏移):0-6千帕~ 40兆帕
準確度:0.1%
液體接觸膜:不銹鋼316升,哈氏合金碳,鉭
輸出:雙線系統,4 ~ 20madc,可選HART輸出數字通信。
環境溫度:最低:取決于灌裝液體:最高:85℃,帶液晶顯示器和氟橡膠密封圈-20 ~ 65℃
工藝介質的溫度極限為-30 ~ 400℃
防護等級:IP67
電氣連接:M20X1.5電纜密封扣,端子適用于0.5 ~ 2.5 mm2電線。(圖見附件)
過程連接:遠程法蘭符合美國國家標準協會標準或德國標準??梢灾苯影惭b。
安裝條件:無毛細管的表壓/絕對壓力遠程變送器可通過遠程傳輸法蘭直接安裝,位置偏差會產生可校正的零點偏移。電子表表殼可旋轉360度,固定螺絲可將其固定在任何位置。
對于帶毛細管的表壓/絕對壓力遠程變送器,如果遠程傳輸密封裝置低于變送器本體,遠程傳輸密封裝置與變送器本體之間的最大高度差應小于5m。當工作壓力低于100千帕絕對壓力時,變送器本體必須低于遠傳密封裝置。毛細管的最小彎曲半徑為75毫米,禁止纏繞!

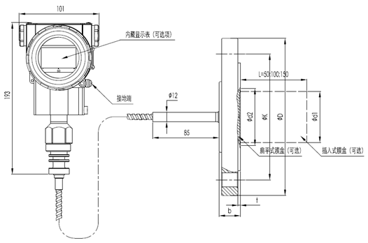
產品尺寸圖
基本遠程傳輸密封裝置圖

基本遠程傳輸密封裝置直接安裝圖

產品特性:
1.采用世界領先的高精度硅傳感器技術;
2.靜壓性能優良,最佳靜壓誤差≤ 0.1%/10兆帕;
3.傳感器內部集成了高靈敏度溫度傳感器,變送器具有出色的溫度性能。
4.快速響應速度。
電氣連接圖

上海朝暉[壓力變送器]相關產品:
產品型號產品名稱
PT124G-111經濟型直桿熔體壓力傳感器
PT124G-111T經濟型直桿溫度和壓力集成熔體傳感器
PT124G-112替代進口直桿式熔體壓力傳感器
PT124G-112T替代進口直桿溫壓集成熔體傳感器
PT124G-113環保型直桿熔體壓力傳感器
PT124G-113T環保型直桿溫壓一體化熔體傳感器
PT124G-116法蘭直桿熔體壓力傳感器
PT124G-121軟管經濟型熔體壓力傳感器
PT124G-121T軟管經濟溫度和壓力集成熔體傳感器
PT124G-123T替代進口軟管式溫壓熔體傳感器
PT124G-123取代進口軟管熔體壓力傳感器
PT124G-122環保軟管熔體壓力傳感器
PT124G-122T環保型軟管溫度和壓力集成熔體傳感器
PT124G-125防爆軟管熔體壓力傳感器
PT124G-125T防爆軟管溫度和壓力集成熔體傳感器
PT124G-126法蘭軟管熔體壓力傳感器
PT124G-128薄膜腔熔體壓力傳感器
PT124B-111經濟型直桿熔體壓力變送器
PT124B-111T經濟型直桿溫壓熔體變送器
PT124B-121軟管經濟熔體壓力變送器
PT124B-121T軟管經濟溫度和壓力集成熔體變送器
PT124B-112替代進口直桿熔體壓力變送器
PT124B-112T替代進口直桿溫壓整體熔體變送器
PT124B-123替代進口軟管熔體壓力變送器
PT124B-123T替代進口軟管式溫壓熔體變送器
PT124B-113環保型直桿熔體壓力變送器
PT124B-113T環保型直桿溫度壓力一體化熔體變送器
PT124B-122環保軟管熔體壓力變送器
PT124B-122T環保型軟管溫度和壓力集成熔體變送器
PT124B-115防爆熔體壓力變送器
PT124B-129智能數字顯示熔體壓力變送器
PT124B-129T智能數字顯示溫度和壓力集成熔體變送器
PT124B-116法蘭型直桿的熔體壓力變送器
PT124B-126法蘭軟管的熔體壓力變送器
PT124B-125防爆軟管熔體壓力變送器
PT124B-125T防爆軟管溫度和壓力集成熔體變送器
PT124B-128薄膜腔的熔體壓力變送器
PT124B-112D一鍵復位直桿熔體壓力變送器
PT124B-123D一鍵復位軟管熔體壓力變送器
PT124B-123DT單鍵透明軟管式溫壓整體熔體變送器
PT124G-210標準工業壓力傳感器
PT124G-211微熔工業控制壓力傳感器
PT124G-213陶瓷工業控制壓力傳感器
PT124G-214平板薄膜工業壓力傳感器
PT124B-210標準工業控制壓力變送器
PT124B-211微熔工業控制壓力變送器
PT124B-214噴射泵壓力變送器
PT124B-212擴散硅工業控制壓力變送器
PT124B-213陶瓷工業控制壓力變送器
PT124B-214平板薄膜工業控制壓力變送器
PT124B-215全焊接本質安全防爆工業控制壓力變送器
PT124B-216LCD數字顯示工業控制壓力變送器
PT124B-217夾鉗式工業控制壓力變送器
PT124B-218中高溫工業控制壓力變送器
PT124B-219防腐船用工業控制壓力變送器
PT124B-220輸入公式液位變送器
PT124B-221數字顯示輸入類型液位變送器
PT124B-222插入液位變送器
PT124B-223快速塞封液位變送器
PT124B-224耐腐蝕性液位變送器
PT124B-225電容液位變送器
PT124B-280標準防爆壓力變送器
PT124B-281耐腐蝕防爆壓力變送器
PT124B-282智能防爆壓力變送器
PT124B-283平面膜防爆壓力變送器
PT124B-284夾具防爆壓力變送器
PT124B-285中高溫防爆壓力變送器
PT124Y-610直桿高溫熔體壓力計
PT124Y-612帶傳輸輸出的直桿式熔體壓力計
PT124Y-613直桿磁接觸壓力表
PT124Y-614軟管熔體壓力表
PT124Y-615軟管帶輸出熔體壓力表
PT124Y-615T撓性管溫壓一體化熔體壓力計
PT124Y-616帶觸點的磁組輸出壓力表
PT124Y-617法蘭熔體壓力表
PT124Y-620標準隔膜壓力表
PT124Y-621耐高壓沖擊隔膜壓力表
PT124Y-622壓板防震隔膜壓力表
PT124Y-623卡扣式防震隔膜壓力表
PT124Y-624法蘭防震隔膜壓力表
PT124Y-625抗震軸向安裝隔膜壓力表
PT124Y-627圓柱形壓力表
PT124B-2501灌漿傳感器
PT124B-2503灌漿傳感器
PT124B-2504灌漿傳感器
PT124B-2511土壓傳感器
PT124B-2512土壓傳感器
PT124B-2513土壓傳感器
PT124B-2521壓裂車專用壓力傳感器(聯管傳感器)
PT124B-230專用空調壓力變送器
PT124B-231專用空調壓力變送器
PT124B-232壓縮機特定壓力變送器
PT124B-233壓縮機特定壓力變送器
PT124B-234壓縮機特定壓力變送器
PT124B-235壓縮機專用壓力變送器
PT124B-240電子發動機機油壓力變送器
PT124B-241燃油泵壓力傳感器
汽車ABB系統的PT124B-242 壓力變送器
PT124B-243汽車燃油缸高壓共軌壓力變送器
PT124B-244 壓力變送器
PT124G-650數顯隔膜壓力表
PD9001智能PID控制儀
N70智能壓力顯示儀
N80智能壓力顯示儀
N90智能壓力顯示儀
N60智能壓力溫度顯示儀
N50智能壓力溫度顯示儀
N10智能壓力和溫度顯示儀
WR-200工業溫度傳感器
WR-201工業溫度傳感器
WR-202工業溫度傳感器
WR-203工業溫度傳感器
BP1010擠出機的爆破閥
BP1020螺栓式爆破閥
GPD35煤礦壓力傳感器
GUY5煤礦料位傳感器
PT124B-2506灌漿壓力傳感器
PT124B-2507灌漿密度傳感器
PT124B-626灌漿隔膜壓力表
VEF310-40集成電磁流量計
PT124B-100高溫蒸汽壓力傳感器
上海朝暉訂購說明:
1.訂購時請注明型號、名稱、測量范圍、接頭螺紋尺寸和精度等級。
2.如果您有任何特殊要求,請在訂購時說明。
3.訂單應以書面形式發送給上海朝暉壓力儀器(對方銷售人員可傳真或電子郵件)。我們接受口頭訂單。我們公司將向您發送銷售確認書,并需要您的書面確認。如有必要,可以簽訂相關合同。特殊訂單可以通過與我們的銷售人員直接談判來解決。
4.收到您的訂單后,我們將在三個工作日內發送確認函,并附上我們的標準產品銷售條款。
產品運輸方式:
運輸方式可由用戶選擇或雙方同意。如果您選擇自己的運輸方式,用戶需要提供運輸公司的名稱、電話號碼、傳真號碼和其他所需信息。
《儀表壓力遠程變送器-》本文地址:http://m.8haoyingpeng.com/news/js/855.html 轉載請勿刪除!